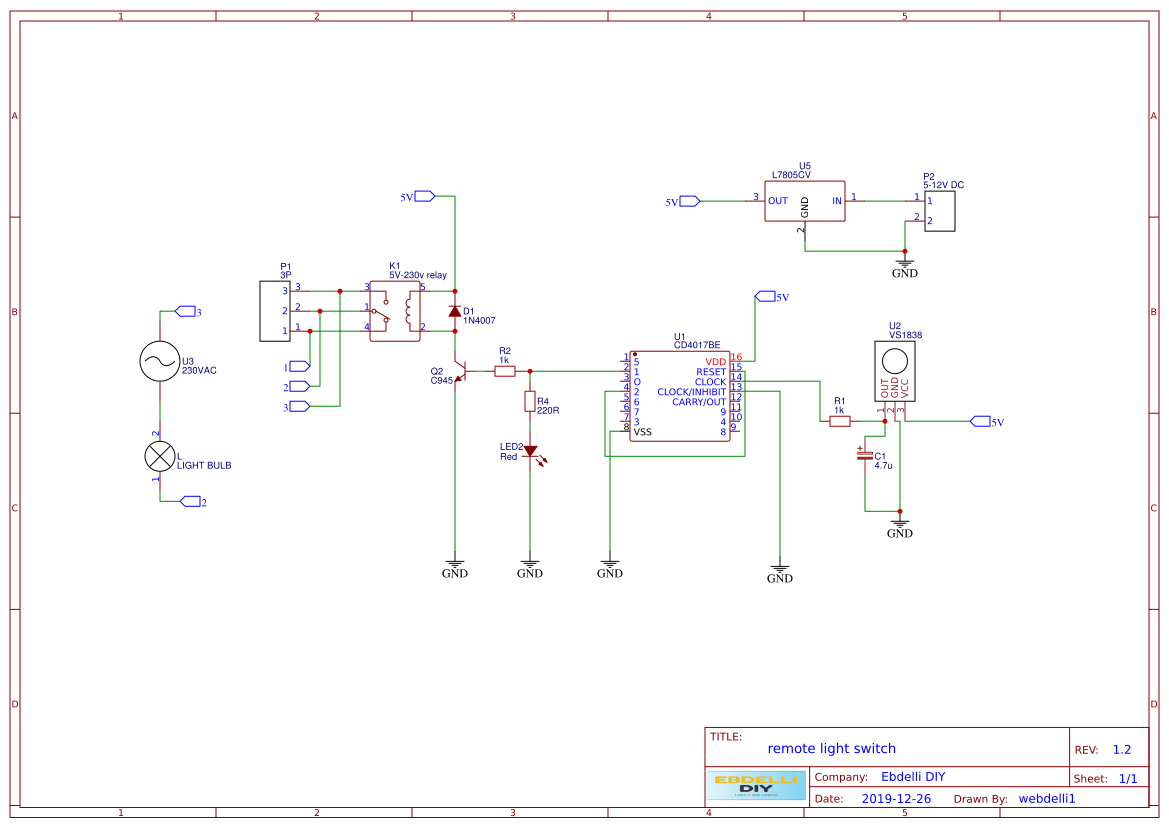
Remote control light switch circuit diagram : diagram wiring diagram Remote control light switch circuit diagram Circuit diagram block diagram of remote controlled light switch
Infrared Remote Switch | Majju
How to make a remote control light circuit, simple remote switch Ir remote control light switch Remote controlled light switch
Block diagram of remote control system
The remote control and its block diagram.Remote control light switch : 10 steps (with pictures) Remote light switch control circuit simple makeInfrared remote switch.
Remote controlled light switch -- retrofit with manual override and noFlashlight controlled remote control switch circuit Wiring diagram remote control light switchRf remote control in a light switch.

Remote light
Remote controlled light switch electronic kits, electronic schematicsDiagram for wireless receiver for rc car Current rating: 5a 230v remote controlled light switch, for home at rsSwitch light remote control wiring instructions diagram australia controlled ble easy manual wall existing controller lighting override switches operate version.
Infrared majjuSwitch wiring Switch controlled remote light circuit control timer electronic using electronics projects diagram circuitdigest off board circuits receiver counter ic miniRemote control light switch circuit diagram : diagram wiring diagram.

Electronicshub controlled electronics
Remote controlled flashlight circuit switch control lightRemote switch light control circuit diagram wireless wiring schematic Remote control light switch : 10 steps (with pictures)Controling light switch through remote.
Remote control light switch in the philippinesRemote control light fan switch circuit diagram Switch circuit remote diagram rc controlled off control ic compact diy electronics lab community quote transistor signalRemote light switch.

Remote control light switch : 10 steps (with pictures)
Remote on off switch circuit diagramAn electronic board with some tools attached to it and wires coming out Remote switch light gr next control circuit diagram sourceCircuit diagram for remote control light.
Remote control light switch : 10 steps (with pictures)Remote control light switch : 10 steps (with pictures) Remote controlled on off switch circuitRemote controlled circuit schematic diagram.

Diagram block control remote system hub polytechnic polytechnichub
Circuit simplestRemote control light switch : 10 steps (with pictures) Block diagram of the remote control systemDiy a compact rc switch.
Diagram circuit remote channel control ac led tv kit rf receiver light saved choose boardInfrared operation Infrared remote control switch circuit working and its applications.







